DELEKS S.r.l.
Via Industriale, 23
25028 Verolanuova (BS) Italy
Tel. 030 6585725
Mail info@deleks.com
Lun - Ven: 9.00-13.00 / 14.00-18.00
Mini Excavator hydraulic Tree Shear / Grab with fixed rotator for quick linkage - 100% HARDOX
DETAILS
DELEKS® hydraulic felling shear + grapple - Italian production - 100% Hardox, steel blade hardened, with rotator, for cutting and handling logs and trees up to ø 10 cm.
OVERVIEW
CF-10R is ideal for harvesting low-grade timber and energy wood, for clearing fields and roadsides.
The DELEKS® mini-excavator hydraulic shear is capable of cutting trees or bunching thinner woods together with the grab for cutting. The shear has a powerful hardened blade that will cleanly and safely cut through timber.
Available with excavator couplings (on request).
Rotator: Lombarda Ingranaggi's GR30FF rotators are powerful, reliable and robust. They are engineered to perform in heavy duty work environments with maximal efficiency and minimal unscheduled downtime as they have a loading capacity 3000kg.
Load diagram for rotator GR30FF: see drawing D
BENEFITS & FEATURES
Made from 100% HARDOX for maximum torsion resistance.
Knife – Made in Italy, hardened 43 HRC.
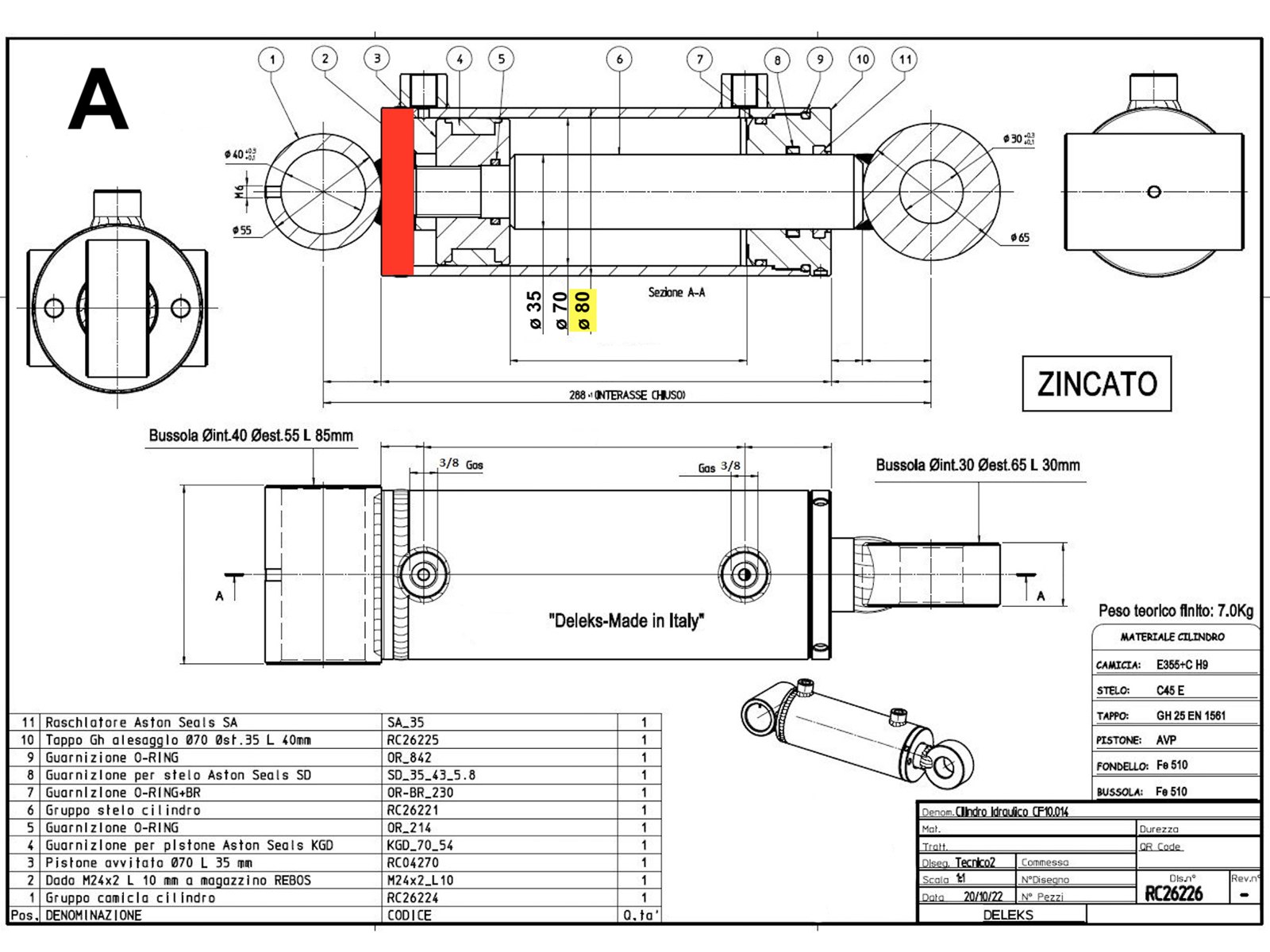
Hydraulic cylinder especially designed for this use with reinforced bottom to bear hight
loads (see drawing A).
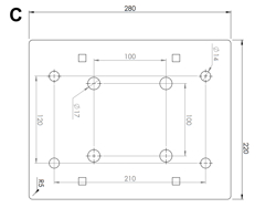
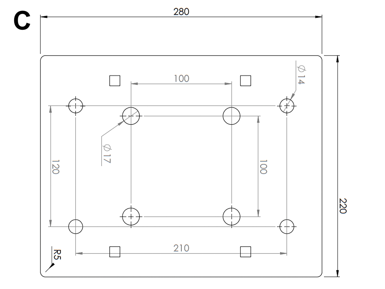
Pins in special material 42CrMo4 of ø30 and ø35 mm (see drawing B).
It is simple to attach and use.
CF-10R is the smallest shear of the range, and its light weight allows to the mini excavator to maintain its capacity.
Cutting at the ground level > low stump: DELEKS® CF-10R cuts the wood to be harvested neatly and precisely at the desired point from ground level, and its technical features ensure that stumps are cut low, at ground level.
2-in-1: cutting and loading: if necessary, the cutting blade can be removed, in which case the tree shear acts as a wood grapple.
Flanged rotator.
CHARACTERISTICS
| Characteristic | Units metric |
|---|---|
| Weight | 72.0 kg |
| Trunk cutting diameter | 90-120 mm |
| Min./Max. Relief Pressure | 150 - 210 bar |
| Min./Max. Flow | 08/22 l/m |
| Hydraulic Hoses | 400 bar pressure |
| Max Opening | 540.0 mm |
| Hydraulic cilinder diameter | 80.0 - 35.0 mm |
| Compact Excavators Range | 1.0 - 2.0 ton |
| Packing sizes | 600.0*800.0*450.0 mm |
DETAILS
CLOSEDELEKS® hydraulic felling shear + grapple - Italian production - 100% Hardox, steel blade hardened, with rotator, for cutting and handling logs and trees up to ø 10 cm.
OVERVIEW
CF-10R is ideal for harvesting low-grade timber and energy wood, for clearing fields and roadsides.
The DELEKS® mini-excavator hydraulic shear is capable of cutting trees or bunching thinner woods together with the grab for cutting. The shear has a powerful hardened blade that will cleanly and safely cut through timber.
Available with excavator couplings (on request).
Rotator: Lombarda Ingranaggi's GR30FF rotators are powerful, reliable and robust. They are engineered to perform in heavy duty work environments with maximal efficiency and minimal unscheduled downtime as they have a loading capacity 3000kg.
Load diagram for rotator GR30FF: see drawing D
BENEFITS & FEATURES
Made from 100% HARDOX for maximum torsion resistance.
Knife – Made in Italy, hardened 43 HRC.
Hydraulic cylinder especially designed for this use with reinforced bottom to bear hight
loads (see drawing A).
Pins in special material 42CrMo4 of ø30 and ø35 mm (see drawing B).
It is simple to attach and use.
CF-10R is the smallest shear of the range, and its light weight allows to the mini excavator to maintain its capacity.
Cutting at the ground level > low stump: DELEKS® CF-10R cuts the wood to be harvested neatly and precisely at the desired point from ground level, and its technical features ensure that stumps are cut low, at ground level.
2-in-1: cutting and loading: if necessary, the cutting blade can be removed, in which case the tree shear acts as a wood grapple.
Flanged rotator.
CHARACTERISTICS
CLOSE| Characteristic | Units metric |
|---|---|
| Weight | 72.0 kg |
| Trunk cutting diameter | 90-120 mm |
| Min./Max. Relief Pressure | 150 - 210 bar |
| Min./Max. Flow | 08/22 l/m |
| Hydraulic Hoses | 400 bar pressure |
| Max Opening | 540.0 mm |
| Hydraulic cilinder diameter | 80.0 - 35.0 mm |
| Compact Excavators Range | 1.0 - 2.0 ton |
| Packing sizes | 600.0*800.0*450.0 mm |
Italiano

